與基于自然換相技術的電流源型換流器的傳統直流輸電不同,柔性直流輸電(VSC-HVDC)是一種以電壓源換流器(VSC)、可控關斷器件和脈寬調制(PWM技術)為基礎的新型直流輸電技術。這種輸電技術能夠瞬時實現有功和無功的獨立解耦控制、能向無源網絡供電、換流站間無需通訊、且易于構成多端直流系統。另外,該輸電技術能同時向系統提供有功功率和無功功率的緊急支援,在提高系統的穩定性和輸電能力等方面具有優勢。下面詳細介紹柔性直流輸電的系統結構及其基本工作原理。
如下圖所示為柔性直流輸電系統單線原理圖,兩端的換流站均采用VSC結構,它由換流站、換流變壓器、換向電抗器、交流濾波器、直流電容器等部分組成。

圖示:柔性直流輸電系統原理示意圖
1、 換流變壓器:換流變壓器為電壓源換流器提供合適的工作電壓,保證電壓源換流器輸出最大的有功功率和無功功率。
2、交流濾波器:因換流器輸出的交流電壓中可能會有一定量的高次諧波,通常應在換流母線處安裝適當數量的交流濾波器,由于需要濾除的都是高次諧波,所以其體積和容量都較小,這也是柔性直流輸電系統的一個技術優勢。
3、 換向電抗器:是交流系統和電壓源換流器之間進行功率傳輸的紐帶,它在很大程度上決定了換流器的功率輸送能力以及有功功率與無功功率的控制,同時也起到濾波的作用。
4、 電壓源換流器VSC:VSC的使用是柔性直流輸電區別于常規直流輸電的關鍵部分,在橋臂中用可控電力電子管(IGBT、IGCT)取代了以往的晶閘管,使整個變流系統更加可控。
5、直流電容器:電壓源換流器直流側儲能元件,為換流器提供直流電壓;同時可緩沖系統故障時引起的直流側電壓波動,減少直流側電壓紋波并為受端站提供直流電壓支撐。
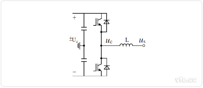
與基于晶閘管的傳統直流輸電技術不同,柔性直流輸電采用電壓源型換流器VSC和PWM技術,其基本工作原理如下圖所示。由調制波與三角載波比較產生的觸發脈沖,使VSC上下橋臂的開關管高頻開通和關斷,則橋臂中點電壓uc在兩個固定電壓+Ud和-Ud之間快速切換,uc再經過電抗器濾波后則為網側的交流電壓us。

圖示:VSC單相示意圖

圖示:VSC正弦脈寬調制原理及輸出波形
進一步分析,在假設換流電抗器無損耗且忽略諧波分量時,換流器和交流電網之間傳輸的有功功率P及無功功率Q分別為:
…………(1)
…………(2)
式中:UC為換流器輸出電壓的基波分量;US為交流母線電壓基波分量;δ為UC和US之間的相角差;X1為換流電抗器的電抗。

圖示:VSC HVDC換流器穩態運行時的基波向量圖
由式1、式2可以得到上圖所示的換流器穩態運行時的基波相量圖。由圖可知,有功功率的傳輸主要取決于δ,無功功率的傳輸主要取決于UC。因此通過對δ的控制就可以控制直流電流的方向及輸送有功功率的大小,通過控制UC就可以控制VSC發出或者吸收的無功功率。從系統角度來看,VSC可以看成是一個無轉動慣量的電動機或發電機,幾乎可以瞬時實現有功功率和無功功率的獨立調節,實現四象限運行。
1. 正常運行時,VSC HVDC可以同時而且獨立地控制有功功率和無功功率,甚至可以使功率因數為1,這種調節能夠快速完成,控制靈活方便。而傳統HVDC中控制量只有觸發角,不可能單獨控制有功功率或無功功率。此外,VSC HVDC不僅不需要交流側提供無功功率而且能夠起到STATCOM的作用,動態補償交流母線的無功功率,穩定交流母線電壓。這意味著故障時,如果VSC HVDC容量允許,那么系統既可向故障系統提供有功功率的緊急支援,又可提供無功功率緊急支援,從而能提高系統的功角穩定性和系統的電壓穩定性。
2. VSC電流能夠自關斷,可以工作在無源逆變方式,所以不需要外加的換相電壓,受端系統可以是無源網絡,克服了傳統HVDC受端必須是有源網絡的根本缺陷,使利用HVDC為遠距離的孤立負荷送電成為可能。
3. 潮流反轉時,直流電流方向反轉而直流電壓極性不變,與傳統HVDC恰好相反。這個特點有利于構成既能方便地控制潮流又有較高可靠性的并聯多端直流系統,克服了傳統多端HVDC系統并聯連接時潮流控制不便、串聯連接時又影響可靠性的缺點。
4. 由于VSC HVDC交流側電流可以被控制,所以不會增加系統的短路功率。這意味著增加新的VSC HVDC線路后,交流系統的保護整定基本不需改變。
5. 模塊化設計使VSC的設計、生產、安裝和調試周期大大縮短。同時,VSC HVDC采用PWM技術,開關頻率相對較高,經過高通濾波后就可得到所需交流電壓,可以不用變壓器,從而簡化了換流站的結構,并使所需濾波裝置的容量也大大減小。換流站的占地面積僅約同容量下傳統直流輸電的20%。采用新型(XLPE)直流電纜,可以直接安裝在現有交流電纜管內,可以使輸送容量提高約50%。
6. 換流站間的通訊不是必需的,每個站可以獨立控制,易于實現無人值守。而且VSC HVDC在電網故障后快速恢復控制能力良好。