電阻、電感、反電動勢均是三相永磁同步電機關注的重要特征參數,本套電阻、電感、反電動勢測試解決方案主要由被試電機信號源、安裝臺架、拖動電機、扭矩轉速測試設備、耦合工裝、測量及分析系統構成,下面本文就對永磁同步電機電阻、電感、反電動勢測試解決方案參考依據、系統構成、測試操作等方面進行介紹。
● GB/T 21418 永磁無刷電動機系統通用技術條件
● GB/T 14817 永磁式直流伺服電動機通用技術條件
● GB/T 7345 控制電機基本技術要求
● GB/T 13958 無直流勵磁繞組同步電動機試驗方法
● GB/T 22669 三相永磁同步電動機試驗方法
定子電感:電動機靜止時的定子繞組兩端的電感。
定子電阻:在20℃下電動機每相繞組的直流電阻。
反電動勢系數:在規定條件下,電動機繞組開路時,單位轉速在電樞繞組中所產生的線感應電動勢值。

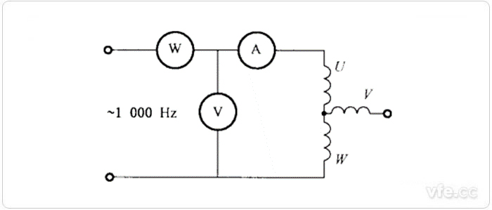
圖示:永磁同步電機電阻、電感、反電動勢測試系統拓撲圖
如永磁同步電機電阻、電感、反電動勢測試系統構成拓撲圖所示,測試平臺主要由定制信號源、電量采集測試設備、被試電機、扭矩轉速傳感器、扭矩轉速變送器、負載電機、負載電機控制器、上位機、夾具固定工裝、控制通訊線路、安裝平臺等部分構成。
定制信號源:為被試電機電阻、電感測試提供信號源——輸出直流完成電阻測試/輸出1000Hz頻率交流完成電感測試;
電量采集測試設備:完成被試電機相關電壓、電流、頻率、功率等參數測試;
被試電機:用戶提供;
扭矩轉速傳感器:用于測試被試電機輸出扭矩轉速;
扭矩轉速變送器:用于將扭矩轉速傳感器輸出信號變送為上位機可接受信號;
負載電機:作為負載設備,施加設定負載扭矩/轉速,完成相關試驗項目;
負載電機控制器:給出控制信號,控制負載電機動作;
上位機:控制整個試驗流程,完成試驗,輸出試驗結果;
夾具固定工裝、控制通訊線路、安裝平臺等部分為輔助部分,共同組成測試平臺,完成檢測試驗項目。
電阻測試
試驗時,將電壓穩定、容量足夠的信號源直流直接連接在被試電機繞組出線端上,施加的電流不超過繞組額定電流的10%,通電的時間不超過1min。在電參量測量儀表指示穩定后,同時讀取并記錄電流及電壓值,將電流和電壓換算為電阻值,并且折算到20℃時的定子線電阻。
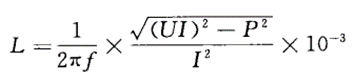
電感測試

如圖所示,被試電機定子繞組兩端加以1000Hz的正弦交流電源,調整電壓,使電流達到產品專用技術條件規定的數值,測量有功功率,緩慢地轉動轉子,分別找出最大電感值和最小電感值的位置,按下式計算出每兩相線間最大電感值Lmax和最小電感值Lmin,并依次求出平均電感值Lav。

式中:
U——繞組兩端施加的電壓;
P——實測有功功率;
I——實測電流;
L——線間電感。
反電動勢測試
試驗時,用負載拖動電機與被試電機用聯軸器連接。原動機拖動被試電機在同步轉速下作為空載發電機運行,記錄觀測其波形;同時分別測量被試電機的三個出線端感應電壓,取其平均值作為線反電動勢U,用下式計算反電動勢常數。
Ke=U/(2π/60)n
式中:
Ke——反電動勢常數;
U——電機線反電動勢,正弦波驅動電機用線反電動勢有效值,方波驅動電機用線反電動勢幅值;
N——被測點轉速。
上一篇:電測量儀器儀表的誤差修正方法
下一篇:扭矩測量方法介紹